ELVX
ELVX-L30G-HANN-C-N2A5
ELVX
ELVX-L30G-HANN-C-N2A5
30 INH20 G AN LID C N2A5
- Details
Product Family: ELVX
Product Output: Digital - I2C
Product Grade: COMMERCIAL
Media Isolated Coating: No
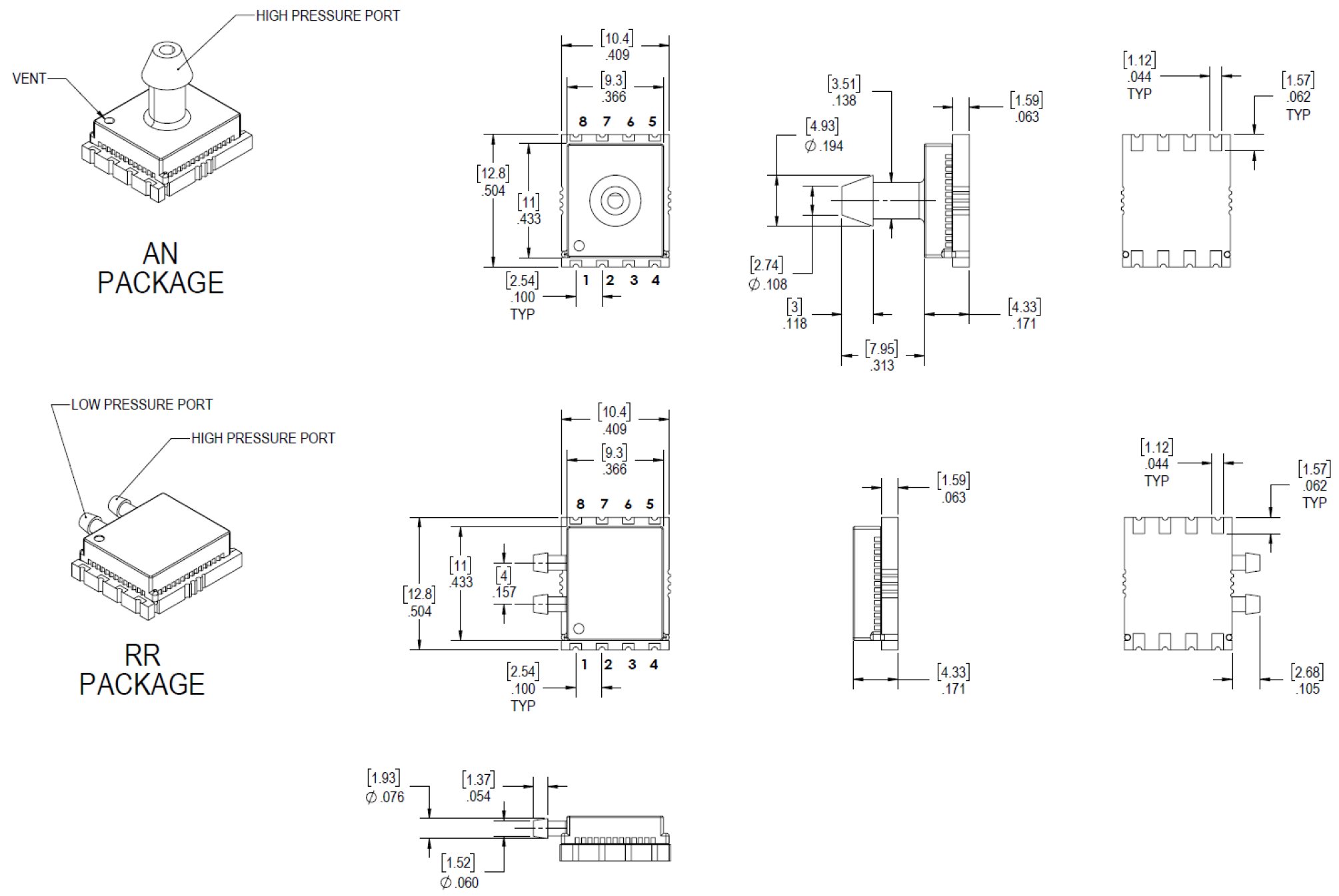
Package Type: HANN
Pressure Type: Gage
Pressure Min: 0
Pressure Max: 30
Units: IN H2O
Operating Temperature: -25 to 85 C
Supply Voltage: 5.0 VS
Honeywell PN:
Supply Voltage: 5.0 VS
Package Drawing:

